ULN2003: Kupu Whakataki, Nga Whakaaturanga, Nga Tohu Mahi, Tauira rite me nga Tono
2024-04-18 28054

Ko te ULN2003 he tino huringa, he hua raupaparorohiko raupaparorohiko raupaparorohiko raupaparorohiko.He tino huringa whakahaere, he nui te rahi o te waa, te whanui pāmahana me te kaha kawenga kaha, na reira he tino pai mo nga punaha e hiahiatia ana hei taraiwa nui.Ma tenei tuhinga e whakaatu nga korero whaitake mo ULN2003, tae atu ki ona ahuatanga, pinepine me nga mahi, mahi maata, mahi me te tono.Kia tiimata.

Pūtea kōrero


ULN2003

He tirohanga ULN2003


ULN2003 He taraiwa nui me te taraiwa-nui-o tenei wa e whakamahia ana i roto i nga momo miihini hiko, te taraiwa motuka, nga taputapu o te maakete, me etahi atu taputapu teiteikia whakahaeretia.Kei roto i nga kaiwhakaari silicon NPN Composite, me nga kaiwhaiwhai takirua a Darlington e hono ana i roto i te raupapa me te kaimau turanga 2.7k.I te huringa whakahaere o te 5V, ka taea te hono tika ki nga waahanga o TTL me te CMOS porowhita, na reira ka taea te whakahaere i nga raraunga i te tuatahi e hiahiatia ana nga tohu arorau.Na reira, ka taea e ULN2003 te whakahaere i nga taputapu maha i te wa kotahi.Kei a ia nga painga o te tino whai kiko, te atanga watea, me etahi atu, me te ngawari ki te whakauru ki nga momo waahanga.

Te whiringa me te rite


- LR2003L

- TBD62003APG

- ULN2001

- ULN2001A


He aha nga ahuatanga o ULN2003?


Kei a Uln2003 nga waahanga e whai ake nei:

- Te moe o te moe: ka iti te putanga, ka iti rawa te moe o te ULN2003, ka awhina i te whakaheke kaha me te whakatipuranga.

- Pahi Rauemi: ULN2003 te whakamahi i te kete-raina takirua mo te whakauru ngawari ki te poari huringa me nga hoia ngawari.

- E whitu nga putanga e whai ake nei: E whitu nga titi o te ULN2003, e whitu nga whakahaere i ia wa, ka taea te whakahaere takitahi, kia pai ai te taraiwa i nga motuka maha.

- Te whakaurunga taumata-a-mana me te mana whakahaere o te ULN2003 Whakapaihia te mana whakahaere TTL me te CMOS, he tino pai ki te whakauru ki etahi atu waahanga mamati.

- Hangaia-i roto i te Free Shurt Diode: Kua hangaia e ia tokorua a Darlington Diode ki te tiaki i nga waahanga whakawhiti mai i te aukati i te kino o te huringa o te maramara.

- Ko te tino nui o te ao me te tiketike: ko te putanga o Uln2003 ka kaha ki te tu i te teitei me te ngaohiko.Ko te tino kaha o te waa ko te 500MA me te ngaohiko kaha tonu te 50v, e tika ana mo te whakahaere i nga motuka hiko-nui me nga hononga.

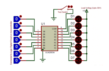
Whakaahua PIN me nga mahi o ULN2003


Pin 1: Ko tenei PIN te putunga whakauru whakauru o te PRPU, me te tauranga e pa ana ki te tauranga putanga tohu.

Pin 2 ki te 7: Ko tenei PIN te Pulse Inputid Inpse Pulse.

PIN 8: Ko tenei PIN kua whakatauhia.

Pin 9: Ko tenei PIN te kete noa o nga diode freewheling koreutu e whitu.Ko te rohe o ia diode e hono ana ki te roopu o ia ngongo Darlington.I te wa e whakamahia ana mo nga kawenga haangai, me hono tenei pine ki te pou pai o te tuku mana uta ki te whakatutuki i te koreutu.Mena ka hono atu tenei PIN ki te whenua, he rite tonu ki te roopu o te ngongo Darlington e hono tika ana ki te whenua.

Pins 10 ki te 16 ki te 16: Ko enei titi ko nga tohu whakaputa tohu tohu, pin 6, pin 6, pin 3, pin 2, titi 1, titi 1, titi 1

Pin Diagram and Functions of ULN2003

Te Tumuaki Mahi me te Mahi o ULN2003


Ko te ULN2003 e rua nga waahanga nui, ko te taha whakauru me te taha putanga.Ko nga urunga kei roto e whitu nga titi whakauru (In1 ki te In7), e whakamahia ana ki te whakaputa i nga tohu arorau mai i nga puna o waho, e whitu nga kawenga mo te whakahaere i te ahua hurihuri.

Ko te Tumuaki Mahi o Uln2003 e whai ake nei: A, no te taumata teitei te tohu whakaurunga, ko te ngongo hurihuri i roto i te maramara kati, kaore e taea te pana i te waa o te waa i tenei wa;I te wa he iti te taumata whakauru, ka hurihia te ngongo whakawhiti, na reira ka taea e te waa te peia i te arawhata uta.Na reira, ma te huri i te ahuatanga o te taumata whakauru, ka taea e tatou te whakatutuki i te mana whakahaere o te PIN e whai take ana.

Ko te mahi matua o te ULN2003 ko te peia i te ngaohiko nui, nui me te nui o te waa.Mai i te mea kaore e taea e nga microcontroller te whakahaere tika i enei taumaha, ka hiahiatia te ULN2003 mo te taraiwa me te whakahaere.Hei taapiri, ko te maramara kei te whakakii i te aukati i roto i te aukati i te aukati i te tauranga putanga, kia kaha ake te whakarite me te pono o te punaha katoa.

ULN2003 Kaitohu Crift Cructiograt


Ko te ULN2003 tetahi waahanga whakauru me te 16 titi.Ka whakauruhia e whitu nga takirua o Darlington, ia tangata e kaha ana ki te taraiwa ki te 50V me te 500ma.Mo enei takirua Darlington e whitu, kei te whakauruhia e matou nga tohu whakauru e whitu me nga titi.I tua atu, kei roto i nga titi whenua me nga titi o te kaupapa.Ko te tikanga, ko te titi whenua e hono tika ana ki te whenua, ko te whakamahinga o te titi noa he kowhiringa.Ma te miharo, kaore tenei i te tohu VCC kua whakatapua.Na te mea tenei na te kaha e hiahiatia ana mo te kaiwhiwhi ki te whakahaere tika mai i te PIN whakauru.Kei raro nei he tauira huringa ngawari ka taea te whakamahi ki te whakamatautau i te mahinga o te huringa ULN2003.

ULN2003 Drive Circuit Diagram

I roto i te huringa, ka whakaaro matou ki te LED me te kawenga e whakamahia ana hei hono ki nga huringa mamati, ki nga microcontroller ranei penei i te arduino.Kia mahara ko te PIN pai o te hononga me hono ki te ngaohiko kawenga pai me te PIN kino me hono ki te PIN putanga o te IC.Ko te mea tenei na te mea ka piki te taumata whakauru o te IC ki te whenua, ko te PIN e tika ana ki te whenua.Na reira, i te wa e hono ana te mutunga o te arahi ki te whenua, ka kati te huringa, te tuku i te kaiarahi ki te whakaatu marama.Ko te taumahatanga o te waa e hono ana ki ia PIN putanga 500MA me te ngaohiko te 50V.Heoi, ki te hiahia koe ki te taraiwa i te taumaha teitei ake, ka taea e koe te mahi ma te hono i nga titi e rua, neke atu ranei i te Preppel.Hei tauira, ki te hono koe ki nga titi e toru i te rite, ka taea e koe te taraiwa i te 1.5A.Ka whakamahia te titi com hei hono ki te whenua ma te whakawhiti, he kowhiringa tenei hononga.Ka taea te whakamahi hei huringa whakamatautau, i.e. Ka hono atu tenei titi ki te whenua, ka hono katoa nga titi Putanga ki te whenua.

Kei hea te ULN2003 i whakamahia?


I roto i nga tono whaitake, ka whakamahia te ULN2003 ki te taraiwa i nga taumahatanga penei i nga motuka hiko, nga taatai, me nga rau o Solenoid.I te mea ko enei taumahatanga ka nui ake te nui o nga mahi, ULN2003 he nui te kaha o te taraiwa i te wa e kaha ana te whakamahi i te kaha o te kaha, me te tino pai mo te taraiwa i enei taumaha.

I tua atu i te mahi taraiwa taketake, ka taea hoki e ULN2003 nga mahi whakahaere nui ake ma te whakamahi i nga turoro o waho, nga kaiwhakaari me etahi atu waahanga.Hei tauira, ka taea e tatou te whakamahi i nga tuuru o waho ki te whakatika i te rahi o te whakaputanga o naianei, ma roto ranei i nga kaiwhakatakoto o waho kia mohio ai ki te de-jitter me etahi atu mahi.Ko te whakatinanatanga o enei mahi whakahaere kaore noa iho i te whanui o te tono ULN2003, engari ka whakarei ake ano hoki te waatea o tana whakamahinga.

I roto i te hoahoa me te hangahanga o nga taputapu hiko, ka whakamahia whānuitia te ULN2003.Ka taea te whakamahi i roto i nga momo miihini whakahaere, nga porowhita taraiwa, nga waahanga tiaki me etahi atu huihuinga, e whakarato ana i tetahi taurangi mo te mahi noa o nga taputapu hiko.I te wa ano, na te mea he nui ake te rahi o te ULN2003, he iti ake te kaha o te kaha, kua whakamahia ano hoki i nga taputapu hiko e whai ana i te kohanga me te kohi kaha.

Me pehea te whakamahi i te ULN2003 hei taraiwa i te motuka hikoi?


Tuatahi, me hono atu e tatou te mana o te motuka hikoi ki te ngaohiko toha tika me te whakarite kia tutuki nga hua o te toha o te ULN2003 ki nga whakaritenga o te motuka hikoi.Panuku, ka hono atu matou i nga titi Putanga o te ULN2003 ki nga mana o te motuka hikoi.Ko te tikanga, e wha nga waahanga whakahaere a Stepper e wha (a, a ', b, b') e pa ana ki nga waahanga e rua.Ka honohia e matou nga putanga e wha (i waho o te URL2003 ki enei waahanga mana e wha o te motuka hikoi.I muri mai, ka hono atu matou i tetahi tohu mana (e.g. mai i te microcontroller) ki te whakauru o te ULN2003.A, no te teitei te tohu whakauru, ko te PIN putanga ULN2003 ka whakahekehia, ka heke te motuka hikoi kia huri.Me tuhituhi e matou te papatono hei whakahaere i te motuka hikoi ma te whakamahi i te reo papatono e tika ana.Kei runga i te momo hikoi hiko (kotahi-waahanga, rua-waahanga, wha-waahanga, etc.), me whakatau e maatau te waahanga tika me nga tohu mana.Hei whakamutunga, ka whakahaerehia e matou te hotaka me te whakamatau i te nekehanga o te motuka hikoi.Mena e hiahiatia ana, ka taea e taatau te whakatika i te waahanga taahiraa me te tere o te motuka hikoi kia pai ai te whakahaere.






Nga Pātai Auau Tuarua [FAQ]


1. He aha te whakakapi i te ULN2003 Mosfet?


Kei a maatau te mosfet e rite ana ki te ULN2003, ka kiia ko te TPl7407L.

2. He aha te ULN2003 i whakamahia mo?


Ko te ULN2003 IC tetahi o nga taraiwa motuka motuka e whakamahia ana i te IC.This IC comes in handy when we need to drive high current loads using digital logic circuits like Op-maps, Timers, Gates, Arduino, PIC, ARM etc.

3. He aha te Uln2003 Chip?


Ko te kōhanga taraiwa ULN2003 he taraiwa motuka hiko, iti te rahi me te ngawari ki te whakamahi.Ka whakamahia e ia te maramara taraiwa ULN2003 hei whakanui i te tohu mana mai i te Arduino.Ko tenei whiringa maamaa me te kowhiringa iti e whakamahia ana hei whakahaere me te whakahaere i nga tono iti o te maakete.

4. He aha Tatou e whakamahi ai i te ULN2803?


Ka whakamahia te huringa ULN2803 hei hononga mana mo nga waahanga hiko me te hangarau CMOS me te TTL.Ko tenei whakaurunga e 8 nga kaiwhakaari i roto i te Whirihoranga Darlington me te aukati i te aukati, hei whakahaere i nga motuka, nga kawenga, me te maha atu.

5. He aha te rereketanga i waenga i te ULN2002 me ULN2003?


Ko te ULN2002A kua hoahoatia hei whakamahi me te 14- ki te 25-v Pmos nga taputapu.Ko ia urunga o tenei taputapu he Zener Diode me te aukati i roto i te raupapa hei whakahaere i te whakauru ki te rohe haumaru.Ko te ULN2003A he 2.7-kω te raupaparorohiko raupapa mo ia takirua Darlington mo te mahi tika me nga taputapu TTL, 5-v ranei.

Mō TATOU He tino pai te kaihoko i nga wa katoa.Te noho tahi me nga paanga. Kua whakapumautia e te hangarau ARIAT te hononga hononga tahi me te hononga ki te maha o nga kaihanga me nga taonga mo nga taonga tuuturu me te tango i nga mahi hei matua.
Whakamatau Mahi.Ko nga hua utu nui rawa atu me te ratonga pai ko to tatou pono tonu.

Emailmera: Info@ariat-tech.comHK TEL: +852 30501966Tāpiri: Rm 2703 27F Ho King Comm Center 2-16,
Fa Yuen St MongKok Kowloon, Hong Kong.