LM324 Avediers Amplifers: Pinuts, Tauira Tono, Rahi Rahi, Raasheets
2023-12-16 65623


I te torotoro i te ao o nga waahanga hiko me nga hoahoa, ka uru mai taatau ki tetahi waahanga tino nui me te kaha - te Amplifier Whakahaere.I roto i tenei tuhinga, ka tirohia e matou te tirohanga hohonu ki te LM324 Aprifier, he taputapu e mohiotia ana mo tana mohio me te utu.Mo tona kairangi ki te whakarato i te mana whakahaere me te tukatuka tohu.Ma tenei tuhinga e whakaatu ki a koe nga matauranga mo te LM324 nga kaiwhakanao whakahaere me o raatau tono.Na tenei tuhinga, ka pai ake te maarama ki te maarama me te hiranga o tenei taputapu i te hoahoa hiko hou.

He aha te Lm324?


Ko te raupapa LM324 he iti-utu nui e whakaatu ana i nga whakauru rereke rereke, kotahi te utu mo te utu, me te tiakitanga-a-waahi.Ko enei kaiwhakawhanake mahi whaa e wha he mohio kei roto i te kete maramara-kotahi.Ka whakatauritea ki nga kaiwhakamaatanga o te mahi angamaheni i whakamahia i roto i nga waahanga taapiri mana kotahi, ka whakaekea e ratou nga painga kaore e taea te whakakahore.

Ka taea e enei kaimoana te whakahaere i te hiko toha kia rite ki te 3.0 v, teitei ake ranei i te 32 vielcent newzealand.Ko te whānuitanga whakauru-kore e uru ana ki te toha mana kino, te whakakore i te hiahia mo nga waahanga o waho o nga waahanga o waho.Ko te whakamahinga o te whakamahi i nga momo tono, tae atu ki nga sensormpriers, DC riro poraka, me etahi atu ahuatanga kei te whai waahi te kaiwhakawhanake whakahaere kotahi.

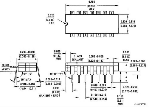
Lm324 pinout



Lm324 pinout

Katoruki

PIN tau
Ingoa pin
Whakaaturanga
1
Putanga1
Putanga o te OP-AMP 1
2
Input1-
Tuhinga o mua
3
Input1 +
Tuhinga o mua
4
Mūno
Ngaohiko toha tōtika
5
Input2 +
Te whakauru kore-aukati o te OP-AMP 2
6
Input2-
Tuhinga o mua
7
Whakaputaka2
Putanga o te OP-AMP 2
8
Whakaputaki3
Putanga o te OP-AMP 3
9
Input3-
Tuhinga o mua
10
Input3 +
Tuhinga o mua
11
Vee, Gnd
Te whenua, te huringa ranei o te huringa
12
Input4 +
Te whakauru kore-aukati o te op-amp 4
13
Input4-
Te huringa whakauru o te op-amp 4
Rongo 14
Whakaputaka4
Putanga o te OP-AMP 4



Whakatakotoranga LM324


Nui
4
Hoatu nga ngaohiko (min) (± 5V, ± 5V ~ 10)
32
Tuku i te waa (max) (± 5V, ± 5V ~ 10)
3
Te whakauru i naianei
Ki te v-
Whiwhi i te Hua Bandwidth (GBW)
1.2MHZ
Te reiti i patua
0.5 v / μs
Te huringa o te huringa (vos i te 25 ° C)
7mv
Quiescent Vaue (IQ)
0.175MA
1 khz ngaohiko haruru (vn)
35NV / √hz
Rangi o te pāmahana
0 ° C ~ 70 ° C
Mahi
Te Whanui Whanui
Te katoa o te wehewehe
2500000%
Ko te Whakatauranga Tikanga Tuarua (CMRR)
80db
Te huringa whakauru
40mv
Āhuatanga
Tau



Nga waahanga o LM324


  • Whakawhanake Whanui: 1.3 MHz- Inputid Inputid Asset-Aratau kei roto i te whenua
  • He nui nga hua: 100 DB
  • He iti rawa te tuku i te waa o ia Amplifier: 375 μA
  • Te whakauru iti o te whakauru i naianei: 20 na
  • Te huringa whakaurunga iti o te whakauru: Rahi 3 MV
  • He iti te whakauru whakauru i naianei: 2 na
  • Te Rau Whaanui Whainga Whainga: Taputapu kotahi: 3V ki te 30v, toha rua: ± 1.5v ki te ± 15V

Tikanga o te mahi LM324


Ko te mahinga o te aratohu o te LM324 i runga i te mahinga o nga wa katoa e wha nga kaiwhakataki mahi a-roto.Ka kaha nga kaiwero katoa mai i te tuku mana kotahi me te whakauru koreutu, he tangata kore-kaitirotiro, me te putanga kotahi.Ka taea e te toha mana te unipolar, te bipolar ranei.


Unipolar me te bipolar

Ko te Whakaaturanga e whai ake nei e whakaatu ana i te hoahoa o roto o te kaiwhakamaori a Unipolar:


Unipolar concor conter

Ka taea e tatou te kite ko ia waahanga Amplifier e toru nga waahanga: he waahanga rereke, he takawaenga me te waahanga whakanui ake.

Ko te waahanga rereke e mahi ana i te mahi o te rereketanga o te rereketanga o te whakaurunga (v + me te v-) me te aukati i te tohu waahanga.Ka whakarato i te tino whakaurunga nui.

Ko te atamira takawaenga te haepapa mo te aukati i te kaiwhakahaere (te tautuhi i te huringa i te wa ka kati te whakauru), ka kati te aukati i nga waahanga rereke me nga waahanga whakaputa).

Ko te wahanga whakanui i te putanga e whakarato ana i te tohetohe iti, e hiahiatia ana e te kawenga, te aukati i te waa o te waa, me te tiaki poto-a-waahi.

Tauira te whakamahi i te LM324


Whakaarohia tetahi motuka e whakahaere ana me te uta rereke.I te piki haere o te kawenga, ka piki ake ano te tipu, no reira ka whakaara i te pāmahana o te motuka.Na reira, ko ta maatau mahi ko te kati i te punaha ka nui ake te pikinga o te pāmahana.Koinei te waahi o te kaiwhakakapi mahi hei kaiwhakariterite.He mea nui kia maarama ki nga rereketanga i waenga i nga kaiwhakarite whakahaere me nga kaiwhakatikatika.I tenei ahuatanga, ko te thermistor e mahi ana, ko te whakarereke i tana whakaeke me nga huringa pāmahana.

Anei tetahi huinga porohita ngawari mo te pāmahana maamaa me te whakahaere i te punaha.



RT = 10kὠ i te pāmahana = 25 ° C.Te whakauru i te whakauru = 1.32V, Inppeting Input = 2.36v.
I te mutunga, he tiketike te putanga ka taea e ia te taraiwa i te motuka kia tiimata ma te kaiwhakaari, te taapiri ranei.



RT = 3kὠ i te pāmahana = i runga ake i te 70 ° C.Te whakauru i te whakauru = 1.32V, Inppeting Urunga = 1.06V.
I te mutunga, he iti te putanga ka taea e ia te pana i te motuka ma te kaiwhakaari, te taapiri ranei.



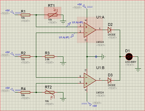
Mena ka tirohia te pāmahana ki te tuatoru, tuawha ranei o te motuka, ka taea te whakamahi i te LM324 i roto i te whirihoranga e whai ake nei.E rua pāmahana pāmahana RT1 me nga tauira o te RT2.



Nga tono o te LM324


  • Kaiwhakamaanui Sensor
  • Whiriwhiringa Whiriwhiringa, Nga Kaupae
  • Whakaitito, nga wehenga, nga taapiri, nga taapiri, nga akonga ngaohiko, etc.
  • Ka whiwhi a DC
  • Whakahoahoa (Te Mana Whakahaere me te Ture Ture)

LM324 Whakaahua Toi Taiao


1. LM324 hei whakanui i te AC AC AC

Ka taea e tenei Amplifier te whakakapi i nga kaiwhaiwhai mo te AC Charfication, e tika ana mo nga tono penei i mua-whakarei i nga punaha oro.Kaore e hiahiatia he whakatikatika.Ka whakamahia e ia te toha mana kotahi, me te R1 me te R2 e hanga ana i te 1 / 2V + Bias.Ko te C1 te kaiwhakaari kino.


Lm324 hei kaiwhakamahara AC AC

Ko te Fatop Abspafication Factor av o te Amptifier ka whakatauhia e nga kai-a-waho noa i te riihi o waho me te rf: -rf / riki.Ko te tohu kino e tohu ana ko te tohu whakaputa kei te taha ke atu ki te tohu whakauru.I runga i nga uara kua homai i roto i te hoahoa, av = -10.Ko te whakaekenga o tenei huringa ko te ri.Ko te tikanga, ko te riipene i tohua kia rite ki te whakaeke o roto o te puna tohu, a ka kowhiria te RF i runga i te kaupapa whakaurutanga e hiahiatia ana.Ko Co me te CI nga kaihoahoa.

2. LM324 hei kaiwhakamahara AC-kore-aukati


LM324 Pēnā i roto i-kōwhiri Ac Adfifier

I tenei huringa, ko te AcroSting kore-aukati e whakaatuhia ana e tona tino whakaurunga.R1 me R2 Hangaia he 1 / 2V + Te Kaiwehenga Oti, Whakanohia te OP-AMP na R3.

Ko te Whakaputanga o te Whakahaa Rorohiko a AV e whakatauhia ana e nga tuuru o waho: AV = 1 + RF / R4.Ko te riri whakauru o te porowhita ko te R3, me te uara o te R4 o R4 mai i te maha o nga kilo-oms ki nga tekau o Kilo-oms.

3. LM324 I roto i nga waahanga inenga inenga

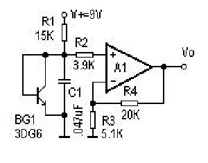
Ka whakamahi te kaiwhakaari pāmahana i te 3dg6 silicon trabicon 3dg6, whirihora hei diongo.Ko te hauhautanga o te pāmahana o te silicon Tranistor ko te -2.5mv / ° C, ko te tikanga o te huringa o te hukahuka na te 2.5mv mo ia taumata o te pāmahana pāmahana.Ko te OP-amp A1 e hono ana hei whakanuitanga DC kore-aukati.Ko te teitei o te pāmahana, ko te iti o te huringa o te Transtartor BG1, i puta mai i te huringa o te huringa kore-aukati i te putanga o te A1 me te mutunga mai i tana putanga.


LM324 mo nga waahanga inenga pāmahana

He mahinga whakanuihia tenei.Ma te hono i te waahanga me te waahi whakahaere ranei ki te putanga o te A1, ka taea te tohu te pāmahana mo etahi atu mana aunoa.

4. LM324 hei Kaipupuri

Ko te tango i te arai urupare mai i te OP-AMP, i te whakaaro ranei ki te urupare urupare kia tino nui (te tikanga tuwhera-tuwhera), ko te mea he mutunga, he tiketike, he tiketike,Ka rite ki te painga o te puaa-a LM324 o te 100DB, te 100,000 nga wa ranei).I raro i enei ahuatanga, ko te OP-amp he mahi he i roto i te Acroctor, kei te piki ake te taumata (v +) he taumata iti ranei.Mena ko te huringa i te whakauru tika he nui ake i te whakauru kino, ko te putanga o te omp-amp he iti te taumata.


LM324 Tono hei Kaitoro

I tenei huringa, e rua nga amp-amps e whakamahia ana hei hanga i te kaihaka.Obsors R1 me R1 'Hangaia he Kaiwehe i te Kaimanaaki, te whakatu i te Taumata Whakatau U1 mo OP-AMP A1 A1 A1.Nga Rangahau R2 me R2 'Ko tetahi atu Tool Motuhake, te whakatu i te taumata whakataurite U2 mo OP-AMP A2.Ko te whakaurunga UI UI ka whakamahia i te wa ano ki te whakauru tika o te A1 me te whakauru kino o te A2.A, no te UI> U1, op-amp-amp A1 putanga he taumata tiketike;I te UI < U2, op-amp A2 outputs a high level. If either op-amp A1 or A2 outputs a high level, transistor BG1 conducts, and the LED lights up.

Mena kua tohua a U1> U2, nga rama rama i te wa e puta ai te Ui Ui [U2, U1], e mahi ana hei tohu tohu.

Mena ko U2> U1, ko nga rama rama i te wa e uru ana te ngaohiko whakauru [U2, U1], ko te mahi hei "matapihi" tohu tohu.

Ko tenei huringa, i te wa e whakamahia ana me te maha o nga kaitoi me te whakarereke, ka taea te tono mo te kitenga-rua mo nga rahinga tinana, nga huringa-a-waahi, me nga whakaoho-tuwhera, me etahi atu.

Rite te lm324


Ko nga tauira rite me te whakakapinga kei roto: LM3900, LMC660, LM339, LMS014, LM2900, LM324A, LM324E, LM324-N, LM324W.

Te kete lm324



Te kete lm324

Lm324 datasheet


Paatohia a konei ki te Tikiake ic LM324 PDF Datasheet: Lm324 (Nga taonga o Texas).

I runga ake nei ko nga ahuatanga, ko te pinout me nga taatai o te LM324, mai i runga ake nei he maha nga painga o te whakamahi i te LM324 I runga, ka taea te whakamahi hei kaiwhakamahara, he momo ngaohikoAbsifier me te nui o te painga, he tino noa i roto i te umanga, a, ka whakamahia whānuitia.

Mena kei a koe etahi patai, tena koa koa ki te toro atu ki te hangarau ARIAT te waahi ka taea e koe te ako ake mo te hikohiko.

Nga raru raru


He aha te whakamahinga o te kaiwhakawhanake whakahaere?

Whakautu: Ko te Amplifier Aformal he taputapu raina e mau ana i nga ahuatanga pai e hiahiatia ana mo te whakanuitanga o naianei.No reira, he maha nga wa e whakamahia ana i roto i te tohu tohu, te tātari, me te mahi i nga mahi pāngarau penei i te taapiri, tangohanga, me te rereketanga.

He aha te rereketanga i waenga i te LM324 me LM339?

Whakautu: Kua whakauruhia e LM324 nga putanga, i te LM339 e whakaatu ana i nga putanga tuwhera-kohikohi.I roto i nga whakaputanga taapiri, ka taea e te waa te rere i roto i te ahunga (puna, totohu ranei) e hiahiatia ana, ko te putanga tuwhera-tuwhera ka taea anake te heke o te waa.

He aha te rereketanga i waenga i te LM324 me LM358?

Whakautu: Ahakoa ko te LM324 me te LM358 me te LM358 te kaupapa nui mo nga tau whakaurunga rereke, he kaha nga waahanga, ka kaha te uta i nga waahanga hiko.Me matua whiriwhiri nga kaiwhakamahi i runga i te ahuatanga tono motuhake, me te aro ki nga taatai.
Mō TATOU He tino pai te kaihoko i nga wa katoa.Te noho tahi me nga paanga. Kua whakapumautia e te hangarau ARIAT te hononga hononga tahi me te hononga ki te maha o nga kaihanga me nga taonga mo nga taonga tuuturu me te tango i nga mahi hei matua.
Whakamatau Mahi.Ko nga hua utu nui rawa atu me te ratonga pai ko to tatou pono tonu.

Emailmera: Info@ariat-tech.comHK TEL: +852 30501966Tāpiri: Rm 2703 27F Ho King Comm Center 2-16,
Fa Yuen St MongKok Kowloon, Hong Kong.